○鳴門市水道事業業務通信運用規程
平成元年3月27日
水道管理規程第1号
(目的)
第1条 この規程は、鳴門市水道事業における通信業務の実施について必要な事項を定めるものとする。
(無線局の設置)
第2条 基地局及び移動局は、水道事業課に設置する。
(運用管理)
第3条 基地局及び移動局の運用管理は、水道事業課長が行う。
(開局)
第4条 水道事業課に設置した基地局は、執務時間中はもち論、時間外においても緊急時には送受信状態(以下「開局」という。)にしておかなければならない。
2 移動局は、水道業務執行中は開局しなければならない。
(非常通信)
第5条 電波法(昭和25年法律第131号)第52条第4号に定める非常通信のうち、水道業務以外の通信の取扱いについては、水道事業課長の許可を受けなければならない。
(無線業務日誌)
第6条 基地局の通信員は、無線業務日誌(別表第1)を備え、所定の事項を記載しなければならない。
(無線機器障害記録簿)
第7条 基地局は、無線機器障害業務日誌(別表第2)を備え、無線機器障害の状況を記載しなければならない。
(無線業務日誌抄録)
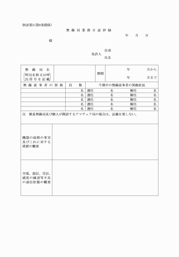
第8条 運用管理責任者は、毎年1月10日までに電波法施行規則(昭和25年電波監理委員会規則第14号)第41条に定める無線局業務日誌抄緑(別表第3)を作成しなければならない。
(通信員の遵守事項)
第9条 通信員は、次の各号を遵守しなければならない。
(1) 迅速、正確を旨とすること。
(2) 呼出し信号のあったときは、速やかにこれに応ずること。
(3) 明瞭、適正に行い、暴言冗語を交えないこと。
(通信機器の保全)
第10条 通信員は、通信機器の保全に留意し、障害を知ったときは、直ちに水道事業課長に報告しなければならない。
(試験通話)
第11条 通信員は、毎日1回以上試験通話を行わなければならない。
(雑則)
第12条 この規程の施行に関し、必要な事項は企業局長が別に定める。
附則
この規程は、平成元年3月27日から施行する。
附則(平成12年4月1日水道管理規程第2号)
この訓令は、平成12年4月1日から施行する。
附則(平成17年3月28日企業管理規程第12号)
この規程は、平成17年4月1日から施行する。
附則(令和3年12月28日企業管理規程第3号)
(施行期日)
1 この規程は、令和4年1月1日から施行する。
(経過措置)
2 この規程の施行の際現にあるこの規程による改正前の様式(次項において「旧様式」という。)により使用されている書類は、この規程による改正後の様式によるものとみなす。
3 この規程の施行の際現にある旧様式による用紙については、当分の間、これを取り繕って使用することができる。



