○鳴門市火災予防条例施行規則
昭和37年7月10日
規則第10号
(通則)
第1条 鳴門市火災予防条例(昭和37年鳴門市条例第12号。以下「条例」という。)の施行については、必要なことは、この規則の定めるところによる。
(標識類の規格及び掲示場所)
第2条 条例第8条の3第1項及び第3項、第11条第1項第5号及び第3項、第11条の2第2項、第12条第2項及び第3項、第13条第2項及び第4項、第17条第3号、第23条第2項、第4項及び第5項、第31条の2第2項第1号、第33条第3項、第34条第2項第1号並びに第39条第4号の標識等の規格については、別表のとおりとする。
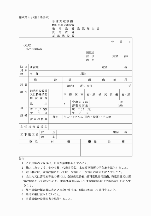
(2) 条例第42条の3第2項に規定する火災予防上必要な業務に関する計画提出書(様式第1号の2)
(6) 条例第44条第14号に規定するネオン管灯設備の設置届出書(様式第5号)
(7) 条例第44条第15号に規定する水素ガスを充填する気球の設置届出書(様式第6号)
(8) 条例第45条第1項第1号に規定する火災とまぎわらしい煙等を発するおそれのある行為等の届出書(様式第7号)
(9) 条例第45条第1項第2号に規定する煙火打上げ仕掛け届出書(様式第8号)
(10) 条例第45条第1項第3号に規定する演劇、映画、その他の催物の開催届出書(様式第9号)
(11) 条例第45条第1項第4号に規定する水道の断水又は減水届出書(様式第10号)
(12) 条例第45条第1項第5号に規定する消防活動に支障を及ぼすおそれのある道路工事届出書(様式第11号)
(13) 条例第45条第1項第6号に規定する露店等の開設届出書(様式第11号の2)
(申請書及び届出書の提出部数)
第4条 申請書及び届出書は、正本及び副本の2部を消防長に提出しなければならない。
(届出書の受理)
第5条 消防長は、届出書を受理したときは、届出書の副本に届出済証の印(別図)を押印して届出者に交付するものとする。
(公表の対象となる防火対象物及び違反の内容)
第6条 条例第42条の4第3項の規則で定める公表の対象となる防火対象物は、消防法施行令(昭和36年政令第37号)別表第1(1)項から(4)項まで、(5)項イ、(6)項、(9)項イ、(16)項イ、(16の2)項及び(16の3)項に掲げる防火対象物で、消防法(昭和23年法律第186号)第17条第1項の政令で定める技術上の基準又は同条第2項の規定に基づく条例で定める技術上の基準に従って屋内消火栓設備、スプリンクラー設備又は自動火災報知設備を設置しなければならないもののうち、同法第4条第1項に規定する立入検査においてこれらの消防用設備等が設置されていないと認められたものとする。
2 条例第42条の4第3項の規則で定める公表の対象となる違反の内容は、前項の防火対象物に屋内消火栓設備、スプリンクラー設備又は自動火災報知設備が設置されていないこととする。
(公表の手続)
第7条 条例第42条の4第1項の公表は、前条第1項の立入検査の結果を通知した日から14日を経過した日において、なお、当該立入検査の結果と同一の違反の内容が認められる場合に、当該違反が是正されたことを確認できるまでの間、鳴門市公式ウェブサイトへの掲載により行う。
2 前項に規定する方法により公表する事項は、次に掲げるものとする。
(1) 前条第2項に規定する違反が認められた防火対象物の名称及び所在地
(2) 前条第2項に規定する違反の内容(当該違反が認められた防火対象物の部分を含む。)
(3) その他消防長が必要と認める事項
附則
この規則は、条例の施行の日から施行する。
附則(昭和59年7月5日規則第14号)
この規則は、公布の日から施行する。
附則(昭和60年12月20日規則第15号)
この規則は、公布の日から施行する。
附則(昭和63年6月25日規則第18号)
この規則は、公布の日から施行する。
附則(平成2年3月26日規則第15号)
この規則は、平成2年5月23日から施行する。
附則(平成4年3月25日規則第5号)
この規則は、平成4年7月1日から施行する。
附則(平成6年6月30日規則第22号)
1 この規則は、公布の日から施行する。
2 この規則による改正後の鳴門市火災予防条例施行規則の規定に基づく様式については、改正後の規定にかかわらず、平成7年3月31日までの間は、従前の様式によることができるものとする。
附則(平成10年10月5日規則第27号)
この規則は、平成11年10月1日から施行する。
附則(平成17年9月30日規則第26号)
この規則は、平成17年10月1日から施行する。
附則(平成17年11月30日規則第29号)
この規則は、平成17年12月1日から施行する。
附則(平成24年6月25日規則第32号)
この規則は、平成24年12月1日から施行する。
附則(平成26年6月24日規則第18号)
この規則は、平成26年7月24日から施行する。
附則(平成27年3月31日規則第21号)
この規則は、平成27年4月1日から施行する。
附則(令和元年5月17日規則第4号)
この規則は、令和元年7月1日から施行する。
附則(令和元年12月16日規則第22号)
この規則は、令和2年4月1日から施行する。
附則(令和2年12月14日規則第39号)
この規則は、令和3年4月1日から施行する。
附則(令和3年12月28日規則第36号)
(施行期日)
1 この規則は、令和4年1月1日から施行する。
(経過措置)
2 この規則の施行の際現にあるこの規則による改正前の様式(次項において「旧様式」という。)により使用されている書類は、この規則による改正後の様式によるものとみなす。
3 この規則の施行の際現にある旧様式による用紙については、当分の間、これを取り繕って使用することができる。
附則(令和5年9月27日規則第34号)
この規則は、令和6年1月1日から施行する。
附則(令和7年3月31日規則第10号)抄
(施行期日)
1 この規則は、令和7年4月1日から施行する。
(経過措置)
3 この規則の施行の際現にあるこの規則による改正前の様式(次項において「旧様式」という。)により使用されている書類は、この規則による改正後の様式によるものとみなす。
4 この規則の施行の際現にある旧様式による用紙については、当分の間、これを取り繕って使用することができる。
附則(令和7年12月17日規則第33号)
この規則は、令和8年1月1日から施行する。
別表(第2条関係)
| 規制事項 | 寸法 | 色 | |||
|
|
| ||||
| 標識類の種類 |
| cm 幅 | cm 長さ | 地 | 文字 |
根拠条文 |
|
| ||||
燃料電池発電設備 | 15以上 | 30以上 | 白 | 黒 | ||
変電設備 | ||||||
急速充電設備 | ||||||
発電設備 | ||||||
蓄電池設備 | ||||||
水素ガス気球掲揚中のため立入禁止 | 30以上 | 60以上 | 赤 | 白 | ||
禁煙 火気厳禁 危険物品持込厳禁 | 25以上 | 50以上 | 赤 | 白 | ||
防火対象物内での全面的な喫煙の禁止 | ― | ― | 赤 | 白 | ||
喫煙所 | 30以上 | 10以上 | 白 | 黒 | ||
劇場等の一部の階での全面的な喫煙の禁止 | ― | ― | 赤 | 白 | ||
少量危険物貯蔵取扱所 | 30以上 | 60以上 | 白 | 黒 | ||
危(移動タンク) | 30以上 | 30以上 | 黒 | 黄(反射性を有するもの) | ||
指定可燃物貯蔵取扱所(可燃性液体類等) | 30以上 | 60以上 | 白 | 黒 | ||
指定可燃物(移動タンク) | 30以上 | 30以上 | 黒 | 黄(反射性を有するもの) | ||
指定可燃物貯蔵取扱所(綿花類等) | 30以上 | 60以上 | 白 | 黒 | ||
類・品名・最大数量等 | 30以上 | 60以上 | 白 | 黒 | ||
類・品名・最大数量等(移動タンク) | 25以上 | 40以上 | 白 | 黒 | ||
品名・最大数量等 | 30以上 | 60以上 | 白 | 黒 | ||
品名・最大数量等(移動タンク) | 25以上 | 40以上 | 白 | 黒 | ||
禁水 | 30以上 | 60以上 | 青 | 白 | ||
火気注意 火気厳禁 | 赤 | 白 | ||||
火気厳禁(可燃性液体類等) 火気注意(綿花類等) | 30以上 | 60以上 | 赤 | 白 | ||
定員表示板 | 30以上 | 25以上 | 白 | 黒 | ||
満員札 | 50以上 | 25以上 | 赤 | 白 | ||



















別図(第5条関係)
